热点:

    传感器模组说明书V1.0

      [   原创  ]   作者:
    收藏文章 暂无评论

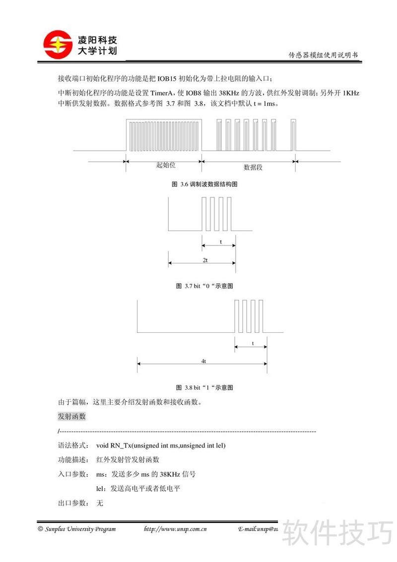
    本文是传感器模组使用说明书V1.0,详细说明产品操作步骤与常见问题处理方法,帮助用户正确使用设备并快速解决故障。

    、 本文是传感器模组使用说明书V1.0,详细说明产品操作步骤及常见问题处理方法。

    soft.zol.com.cn true https://soft.zol.com.cn/1048/10480774.html report 195 本文是传感器模组使用说明书V1.0,详细说明产品操作步骤与常见问题处理方法,帮助用户正确使用设备并快速解决故障。 、 本文是传感器模组使用说明书V1.0,详细说明产品操作步骤及常见问题处理方法。 ...
    不喜欢(0) 点个赞(0)
    随时随地资讯查报价 就上ZOL手机客户端,点击或扫描二维码下载
    立即下载

    健康食霸 V1.0

    更新时间:2020年03月18日

    用户评分:0 | 0人点评

    软件类型:免费软件

    软件语言:简体中文

    健康食霸 V1.0
    • 更新时间:2020年03月18日
    • 软件大小:0.7MB
    • 软件分类:衣食住行
    • 语言种类:简体中文
    • 软件评级:0 人点评