热点:

    FST110塑壳控制器使用指南

      [   原创  ]   作者:
    收藏文章 暂无评论

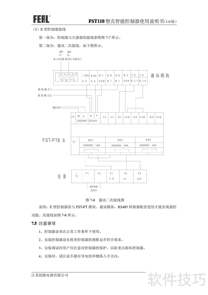
    本文为FST110塑壳智能控制器使用说明书1.0,详细说明产品操作方法及常见问题处理方案。

    、 本书为FST110塑壳智能控制器使用说明书1.0,详细讲解产品操作步骤与常见问题处理方法,帮助用户快速掌握设备使用技巧,提升操作效率与使用体验。

    soft.zol.com.cn true https://soft.zol.com.cn/1054/10546011.html report 231 本文为FST110塑壳智能控制器使用说明书1.0,详细说明产品操作方法及常见问题处理方案。 、 本书为FST110塑壳智能控制器使用说明书1.0,详细讲解产品操作步骤与常见问题处理方法,帮助用户快速掌握设备使用技巧,提升操作效率与使用体验。 ...
    不喜欢(0) 点个赞(0)
    随时随地资讯查报价 就上ZOL手机客户端,点击或扫描二维码下载
    立即下载

    colormenu 1.0

    更新时间:2007年07月27日

    用户评分:0 | 0人点评

    软件类型:试用软件

    软件语言:简体中文

    colormenu 1.0
    • 更新时间:2007年07月27日
    • 软件大小:0MB
    • 软件分类:编程工具
    • 语言种类:简体中文
    • 软件评级:0 人点评