好修网提供电脑维修视频教程与学习资源,涵盖A1286整机上电原理详解。
1、 苹果设备电源接口工作原理
2、 J6900是苹果A1286主板上的电源接口,共有五个引脚。其中第一和第二引脚负责适配器主供电输入,第四引脚为接地端,第五引脚则连接1-wire信号线。该信号线经由过压保护芯片U6900处理后,输出SYS_ONEWIRE信号,实现与主板之间的通信功能,保障电源管理的稳定性和可靠性。
3、 PPDCIN_G3H输入信号经Q7080隔离MOS管内部阻尼二极管后,输出为PPDCIN_G3H_OR_PBUS。
4、 U6990由PPDCIN_G3H_OR_PBUS供电,其输出为PP3V42_G3H,提供稳定的3.3V电压。
5、 PP3V42_G3H输出电压需经U5000检测,该器件为高精度欠压监测芯片,其内部结构和工作原理如下所示。
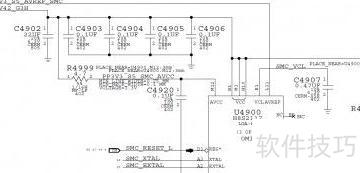
6、 工作原理:输入引脚用于检测电压,经内部电阻分压后与基准电压Vref进行比较。当检测电压处于正常范围内时,芯片第一脚输出高电平;若电压低于设定阈值,则输出低电平。在此电路中的应用是对电源信号PP3V42_G3H的监测。当该电压达到稳定且符合规定标准时,芯片U5000的第一脚将输出一个高电平信号SMC_RESET_L,发送至EC控制器,表示电源就绪。与此同时,PP3V42_G3H还为另一芯片U5020提供工作电源,U5020在得电后产生稳定的PP3V3_S5_AVREF_SMC电压,同样供给EC,作为其参考电压源,确保系统正常启动与运行。
7、 PP3V42和G3H分别为EC提供电源支持。

