热点:

    Star AR-3200针打技术说明

      [   原创  ]   作者:
    收藏文章 暂无评论

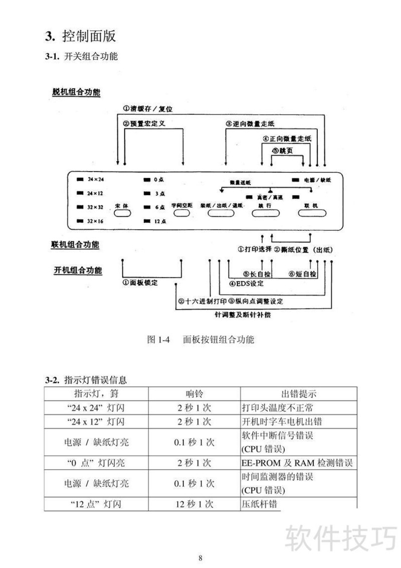
    Star针式打印机AR-3200技术说明书详细说明了设备的操作流程与日常维护,并提供常见问题的排查及解决方法,帮助用户高效使用打印机。

    、 Star针式打印机AR-3200技术说明书详细说明了设备的操作步骤与日常使用技巧,并提供了常见问题的排查及解决方法,帮助用户高效维护和使用打印机。

    soft.zol.com.cn true https://soft.zol.com.cn/1140/11406178.html report 273 Star针式打印机AR-3200技术说明书详细说明了设备的操作流程与日常维护,并提供常见问题的排查及解决方法,帮助用户高效使用打印机。 、 Star针式打印机AR-3200技术说明书详细说明了设备的操作步骤与日常使用技巧,并提供了常见问题的排查及解决方法,帮助用户高效维护和...
    不喜欢(0) 点个赞(0)
    随时随地资讯查报价 就上ZOL手机客户端,点击或扫描二维码下载
    立即下载

    Billing Star

    更新时间:2009年01月19日

    用户评分:0 | 0人点评

    软件类型:共享软件

    软件语言:英文

    Billing Star
    • 更新时间:2009年01月19日
    • 软件大小:4.4MB
    • 软件分类:办公应用
    • 语言种类:英文
    • 软件评级:0 人点评