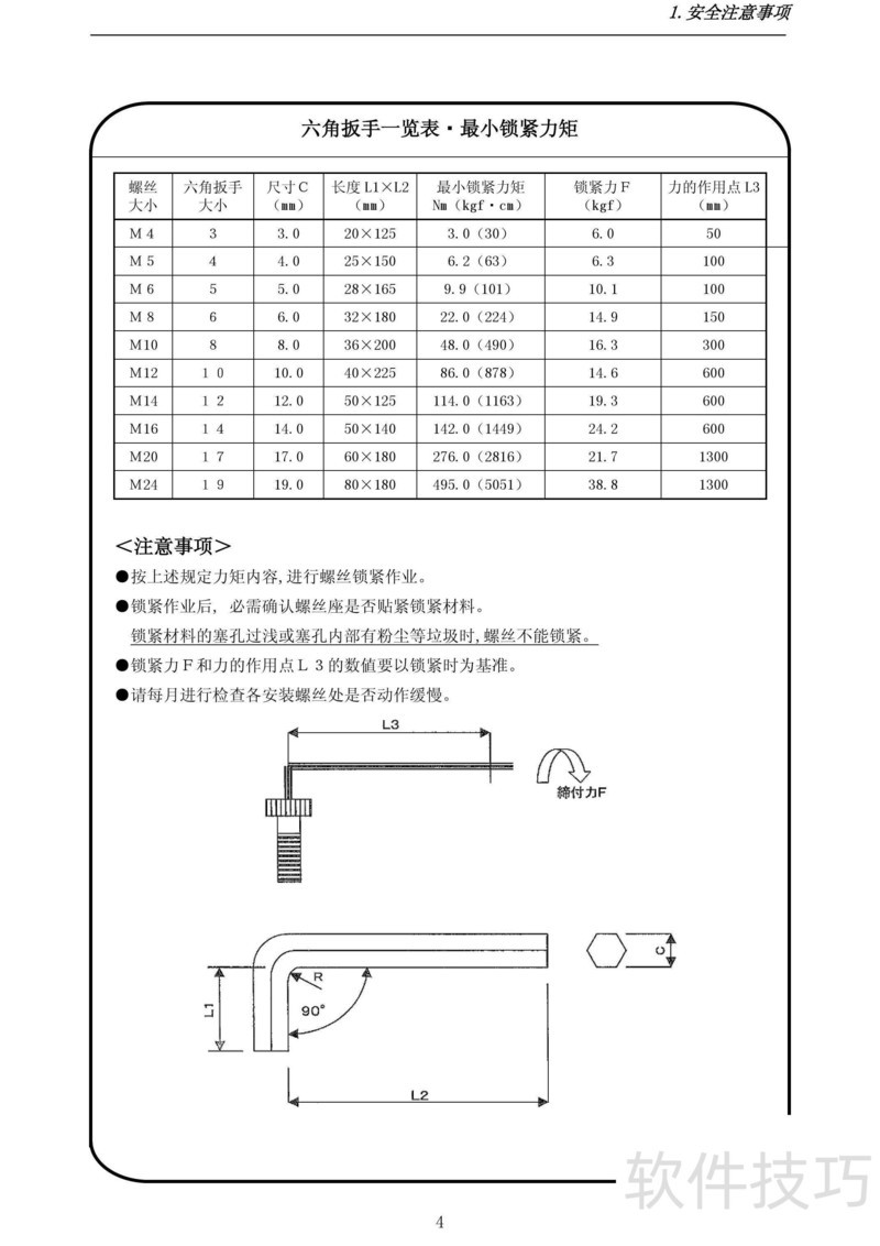
热点:

    YUDO横走式取出机使用指南

      [   原创  ]   作者:
    收藏文章 暂无评论

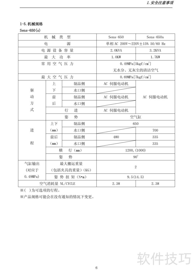
    本文介绍YUDO Sens-650(S)、800(S)、1200(S)横走式自动取出机的操作方法与常见故障处理方案,帮助用户正确使用设备,提升运行效率,确保生产过程稳定顺畅。

    、 本文介绍YUDO Sens-650(S)、800(S)、1200(S)横走式自动取出机的使用方法及常见故障处理方案,帮助用户正确操作设备,提升运行效率,确保生产稳定顺畅。

    soft.zol.com.cn true https://soft.zol.com.cn/1073/10737668.html report 301 本文介绍YUDO Sens-650(S)、800(S)、1200(S)横走式自动取出机的操作方法与常见故障处理方案,帮助用户正确使用设备,提升运行效率,确保生产过程稳定顺畅。 、 本文介绍YUDO Sens-650(S)、800(S)、1200(S)横走式自动取出机的使用方法及常见故障处理方案,帮助用户正确操...
    不喜欢(0) 点个赞(0)
    随时随地资讯查报价 就上ZOL手机客户端,点击或扫描二维码下载
    立即下载

    UNRAR S

    更新时间:2011年12月20日

    用户评分:0 | 0人点评

    软件类型:免费软件

    软件语言:简体中文

    软件资讯文章推荐

    UNRAR S
    • 更新时间:2011年12月20日
    • 软件大小:0.1MB
    • 软件分类:应用工具
    • 语言种类:简体中文
    • 软件评级:0 人点评