热点:

    MPX5100压力传感器使用说明

      [   原创  ]   作者:
    收藏文章 暂无评论

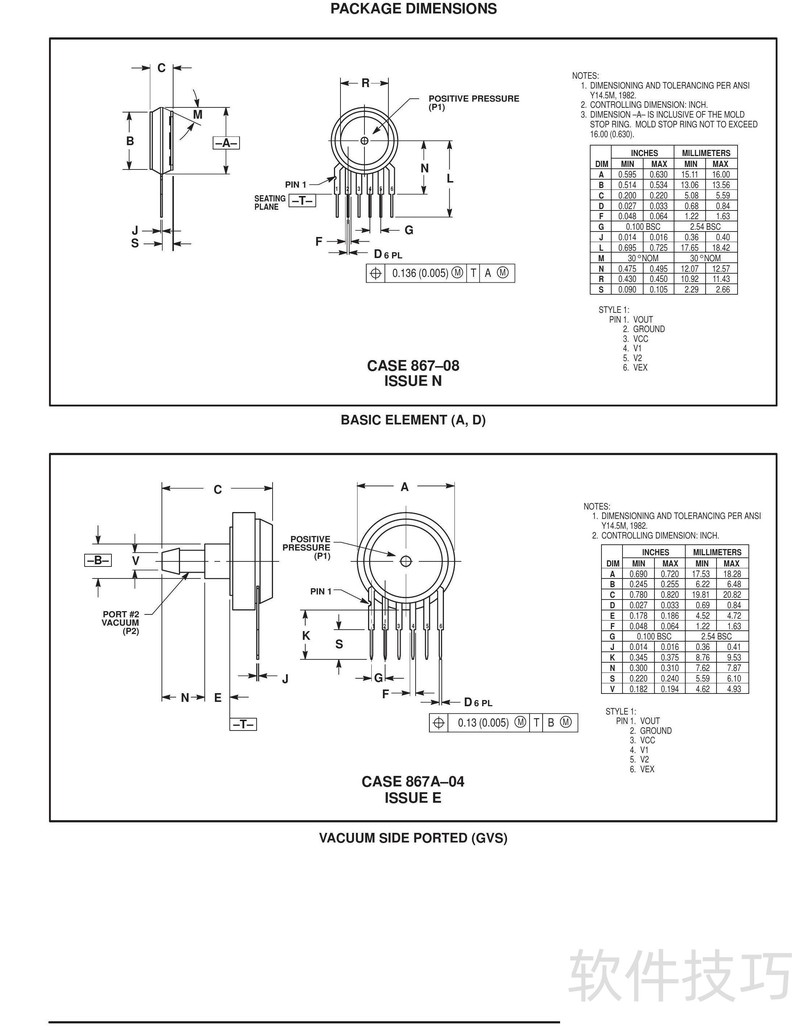
    本文是MOTOROLA MPX5100压力传感器说明书,详细介绍该产品的操作方法与常见问题的解决措施,帮助用户正确使用和维护设备。

    、 本文是MOTOROLA MPX5100压力传感器说明书,详细介绍该产品的操作方法及常见问题的处理方案,帮助用户正确使用并解决使用过程中可能出现的故障。

    soft.zol.com.cn true https://soft.zol.com.cn/1074/10741473.html report 263 本文是MOTOROLA MPX5100压力传感器说明书,详细介绍该产品的操作方法与常见问题的解决措施,帮助用户正确使用和维护设备。 、 本文是MOTOROLA MPX5100压力传感器说明书,详细介绍该产品的操作方法及常见问题的处理方案,帮助用户正确使用并解决使用过程中可能出现的故障...
    不喜欢(0) 点个赞(0)
    随时随地资讯查报价 就上ZOL手机客户端,点击或扫描二维码下载
    立即下载

    Nidesoft DVD to Motorola Converter

    更新时间:2010年01月28日

    用户评分:0 | 0人点评

    软件类型:共享软件

    软件语言:英文

    Nidesoft DVD to Motorola Converter
    • 更新时间:2010年01月28日
    • 软件大小:5.3MB
    • 软件分类:视频转换
    • 语言种类:英文
    • 软件评级:0 人点评