Automation Studio在气液电系统仿真方面功能强大。本文简要展示如何利用该软件通过电路实现按钮控制两个液压缸的单独或同步伸缩动作,全程采用纯电气逻辑设计完成操作演示。相关内容将为后续使用PLC实现相同控制功能的讲解打下基础,帮助理解不同控制方式的实现路径与应用特点。
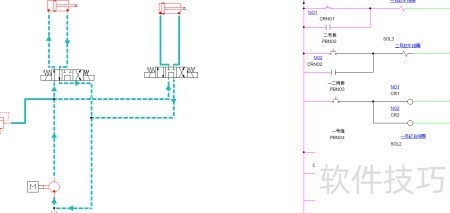
1、 在Automation Studio 6.0中完成液压原理图的绘制,具体操作步骤可自行查阅相关资料,此处不再详述。
2、 绘制电路图
3、 点击仿真按钮,查看下方效果
4、 点击电路图中的一号节点,效果所示
5、 点击原理图中的一二同伸,效果见下图,其余缩放情况请自行尝试。
