热点:

    旗威科技DIO-I控制板使用指南

      [   原创  ]   作者:
    收藏文章 暂无评论

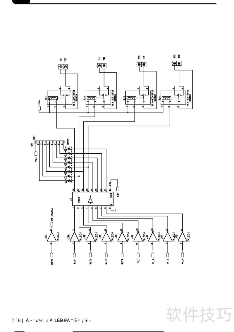
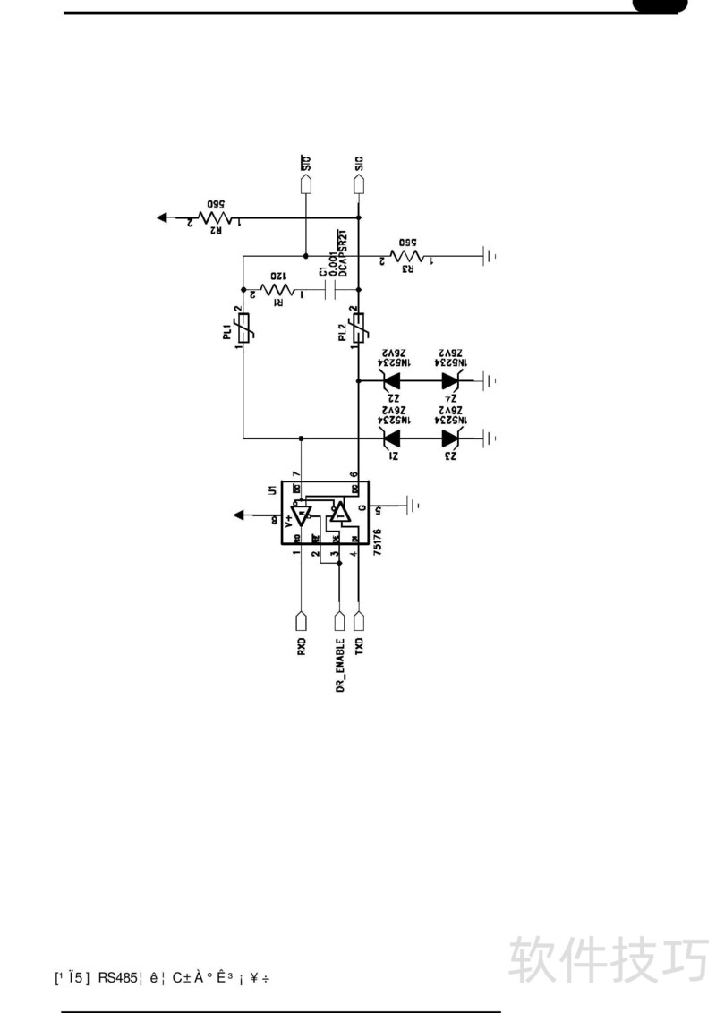
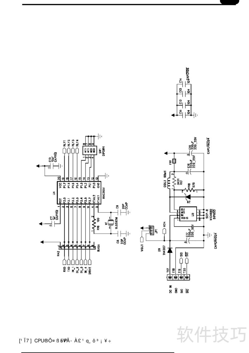
    本文介绍了旗威科技DIO-I工业用DI/DO控制板的使用方法及常见故障处理方案,帮助用户正确操作设备并快速解决使用过程中可能出现的问题。

    、 本文是旗威科技DIO-I工业用DI/DO控制板使用说明书,详细说明产品操作方法及常见问题处理方案,帮助用户正确安装、使用与维护设备,确保系统稳定运行。

    soft.zol.com.cn true https://soft.zol.com.cn/1090/10904189.html report 281 本文介绍了旗威科技DIO-I工业用DI/DO控制板的使用方法及常见故障处理方案,帮助用户正确操作设备并快速解决使用过程中可能出现的问题。 、 本文是旗威科技DIO-I工业用DI/DO控制板使用说明书,详细说明产品操作方法及常见问题处理方案,帮助用户正确安装、使用与维护设备...
    不喜欢(0) 点个赞(0)
    随时随地资讯查报价 就上ZOL手机客户端,点击或扫描二维码下载
    立即下载

    DI Java3d

    更新时间:2010年01月28日

    用户评分:0 | 0人点评

    软件类型:免费软件

    软件语言:英文

    DI Java3d
    • 更新时间:2010年01月28日
    • 软件大小:0.5MB
    • 软件分类:JAVA软件
    • 语言种类:英文
    • 软件评级:0 人点评