热点:

    映泰NF61S主板说明书

      [   原创  ]   作者:
    收藏文章 暂无评论

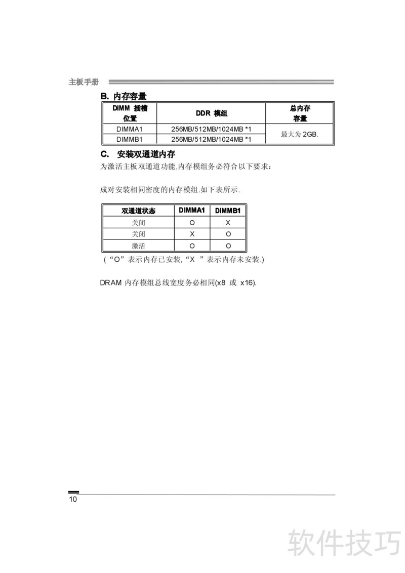
    本文是映泰NF61S Micro AM2主板的使用指南,详细说明操作步骤与常见问题处理方法,帮助用户顺利安装和使用该产品。

    、 本文是映泰NF61S Micro AM2型主板说明书,详细介绍该主板的使用方法及常见问题的解决措施,帮助用户正确操作与维护设备。

    soft.zol.com.cn true https://soft.zol.com.cn/1090/10904667.html report 235 本文是映泰NF61S Micro AM2主板的使用指南,详细说明操作步骤与常见问题处理方法,帮助用户顺利安装和使用该产品。 、 本文是映泰NF61S Micro AM2型主板说明书,详细介绍该主板的使用方法及常见问题的解决措施,帮助用户正确操作与维护设备。 ...
    不喜欢(0) 点个赞(0)
    随时随地资讯查报价 就上ZOL手机客户端,点击或扫描二维码下载
    立即下载

    FabFilter Micro

    更新时间:2010年01月26日

    用户评分:6 | 1人点评

    软件类型:共享软件

    软件语言:英文

    FabFilter Micro
    • 更新时间:2010年01月26日
    • 软件大小:1.5MB
    • 软件分类:视频格式
    • 语言种类:英文
    • 软件评级:1 人点评