热点:

    易蓝斯特DCU990X门禁使用指南

      [   原创  ]   作者:
    收藏文章 暂无评论

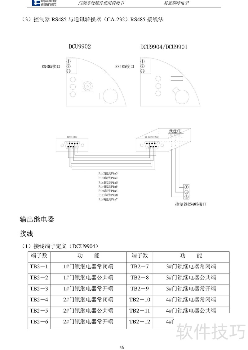
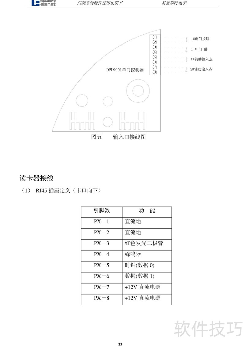
    本文为易蓝斯特DCU990X门禁控制器使用手册,详细说明产品操作步骤及常见问题处理方法,帮助用户正确安装、设置与维护设备,确保系统稳定运行。

    、 本文是易蓝斯特DCU990X门禁控制器使用说明书,详细说明产品操作步骤与常见问题处理方法,帮助用户正确使用设备并快速排除故障。

    soft.zol.com.cn true https://soft.zol.com.cn/1094/10946870.html report 267 本文为易蓝斯特DCU990X门禁控制器使用手册,详细说明产品操作步骤及常见问题处理方法,帮助用户正确安装、设置与维护设备,确保系统稳定运行。 、 本文是易蓝斯特DCU990X门禁控制器使用说明书,详细说明产品操作步骤与常见问题处理方法,帮助用户正确使用设备并快速排除...
    不喜欢(0) 点个赞(0)
    随时随地资讯查报价 就上ZOL手机客户端,点击或扫描二维码下载
    立即下载

    易斯特密码本

    更新时间:2010年05月24日

    用户评分:0 | 0人点评

    软件类型:免费软件

    软件语言:简体中文

    易斯特密码本
    • 更新时间:2010年05月24日
    • 软件大小:0.5MB
    • 软件分类:行政管理
    • 语言种类:简体中文
    • 软件评级:0 人点评