热点:

    ACR-201系列温控器应用

      [   原创  ]   作者:
    收藏文章 暂无评论

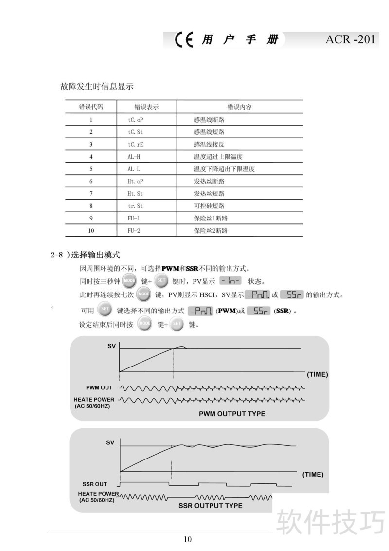
    本文介绍ACR-201系列温控器的使用方法及常见故障处理方案,帮助用户正确操作设备并快速解决使用过程中可能出现的问题,确保温控器稳定高效运行。

    、 本文介绍ACR-201系列温控器的使用方法及常见故障处理方案,帮助用户正确操作设备,快速排查问题,确保温度控制稳定可靠,适用于各类需要精确控温的场景。

    soft.zol.com.cn true https://soft.zol.com.cn/1167/11676240.html report 293 本文介绍ACR-201系列温控器的使用方法及常见故障处理方案,帮助用户正确操作设备并快速解决使用过程中可能出现的问题,确保温控器稳定高效运行。 、 本文介绍ACR-201系列温控器的使用方法及常见故障处理方案,帮助用户正确操作设备,快速排查问题,确保温度控制稳定可靠...
    不喜欢(0) 点个赞(0)
    随时随地资讯查报价 就上ZOL手机客户端,点击或扫描二维码下载
    立即下载

    Temperature Throttle

    更新时间:2011年11月18日

    用户评分:0 | 0人点评

    软件类型:免费软件

    软件语言:英文

    Temperature Throttle
    • 更新时间:2011年11月18日
    • 软件大小:6.4MB
    • 软件分类:优化软件
    • 语言种类:英文
    • 软件评级:0 人点评