热点:

    Phoenix充电器使用指南

      [   原创  ]   作者:
    收藏文章 暂无评论

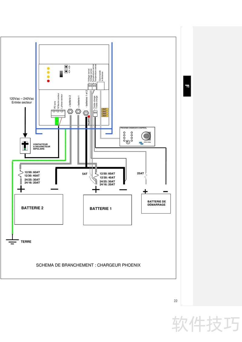
    本文是Phoenix 12/24V充电器使用手册,详细说明产品操作步骤与常见问题处理方法,帮助用户正确使用并快速排除故障。

    、 Phoenix 12/24V充电器说明书详细说明了产品操作步骤与日常使用中的故障排查方法,帮助用户正确、安全地使用充电设备。

    soft.zol.com.cn true https://soft.zol.com.cn/1156/11560263.html report 233 本文是Phoenix 12/24V充电器使用手册,详细说明产品操作步骤与常见问题处理方法,帮助用户正确使用并快速排除故障。 、 Phoenix 12/24V充电器说明书详细说明了产品操作步骤与日常使用中的故障排查方法,帮助用户正确、安全地使用充电设备。 ...
    不喜欢(0) 点个赞(0)
    随时随地资讯查报价 就上ZOL手机客户端,点击或扫描二维码下载
    立即下载

    Phoenix Protector

    更新时间:2010年12月20日

    用户评分:0 | 0人点评

    软件类型:免费软件

    软件语言:英文

    Phoenix Protector