热点:

    Phoenix充电器使用指南

      [   原创  ]   作者:
    收藏文章 暂无评论

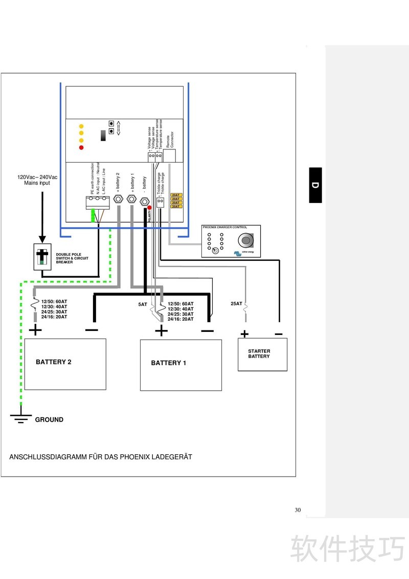
    本文为Phoenix 12/24V充电器使用手册,详细介绍产品操作步骤及常见问题处理方法,帮助用户正确使用并快速解决故障。

    、 Phoenix 12/24V充电器说明书详细说明了产品操作步骤与常见问题的处理方法,帮助用户正确使用充电器并快速排除故障,确保设备稳定运行。

    soft.zol.com.cn true https://soft.zol.com.cn/1156/11560264.html report 249 本文为Phoenix 12/24V充电器使用手册,详细介绍产品操作步骤及常见问题处理方法,帮助用户正确使用并快速解决故障。 、 Phoenix 12/24V充电器说明书详细说明了产品操作步骤与常见问题的处理方法,帮助用户正确使用充电器并快速排除故障,确保设备稳定运行。 ...
    不喜欢(0) 点个赞(0)
    随时随地资讯查报价 就上ZOL手机客户端,点击或扫描二维码下载
    立即下载

    Phoenix Protector

    更新时间:2010年12月20日

    用户评分:0 | 0人点评

    软件类型:免费软件

    软件语言:英文

    Phoenix Protector