热点:

    ALPHA2000-3280P变频器说明

      [   原创  ]   作者:
    收藏文章 暂无评论

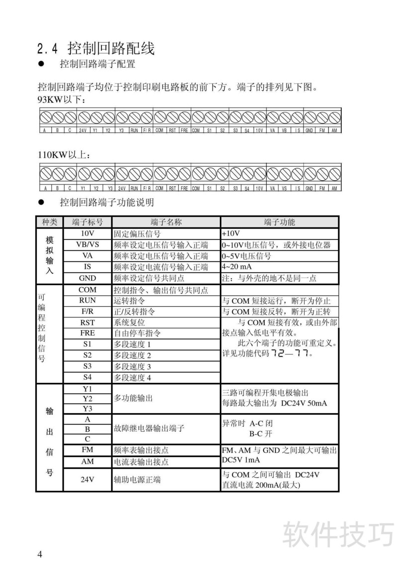
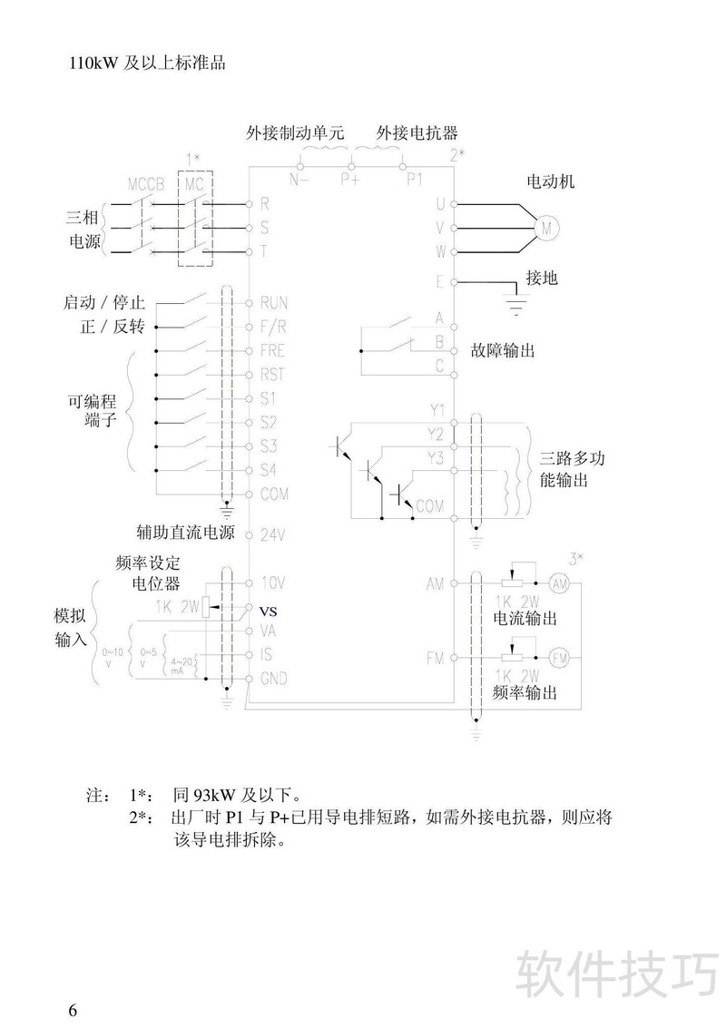
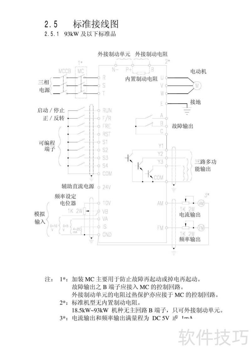
    本书为ALPHA2000-3280P变频器使用指南,详细说明产品操作步骤及常见故障处理方法,帮助用户正确使用与维护设备,确保运行稳定高效。

    、 本书为阿尔法ALPHA2000-3280P变频器使用手册,详细讲解产品操作步骤与常见问题处理方法,帮助用户快速掌握设备使用技巧,确保运行稳定高效。

    soft.zol.com.cn true https://soft.zol.com.cn/1163/11634483.html report 269 本书为ALPHA2000-3280P变频器使用指南,详细说明产品操作步骤及常见故障处理方法,帮助用户正确使用与维护设备,确保运行稳定高效。 、 本书为阿尔法ALPHA2000-3280P变频器使用手册,详细讲解产品操作步骤与常见问题处理方法,帮助用户快速掌握设备使用技巧,确保运行稳...
    不喜欢(0) 点个赞(0)
    随时随地资讯查报价 就上ZOL手机客户端,点击或扫描二维码下载
    立即下载

    XINS 2.2 Alpha 1

    更新时间:2008年01月09日

    用户评分:0 | 0人点评

    软件类型:共享软件

    软件语言:简体中文

    XINS 2.2 Alpha 1
    • 更新时间:2008年01月09日
    • 软件大小:4.3MB
    • 软件分类:编程工具
    • 语言种类:简体中文
    • 软件评级:0 人点评